YZUL立式振動電機
產品分類:振動電機
產品簡介: 振動源三相異步電動機為各類振動機械通用激振源。如振動給料機,振動輸送機、振動烘干機、振動放礦機、振動落砂機、振動篩分機、料倉的振動防閉塞等。可廣泛應用于電力、建材、糧食、煤炭、礦山、冶金、化工、輕工、鑄造、鐵道、水泥、港...
全國熱線:
0373-2691011 15936547781
產品詳情
振動源三相異步電動機為各類振動機械通用激振源。如振動給料機,振動輸送機、振動烘干機、振動放礦機、振動落砂機、振動篩分機、料倉的振動防閉塞等。可廣泛應用于電力、建材、糧食、煤炭、礦山、冶金、化工、輕工、鑄造、鐵道、水泥、港口等待業,深受全國廣大用戶歡迎。
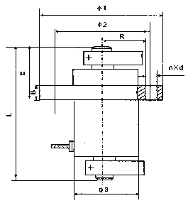
YZUL型振動電機主要特點: 1.噪音低、能耗低、效率高。 2.體積小、重量輕、啟動迅速。 3.安裝便捷、維護簡單、壽命長。 4.激振力易于無級調整且調節范圍廣、振動無機械傳導。 |
YZUL型振動電機工作原理: 振動電機是動力源與振動源結合為一體的激振源,振動電機是在轉子軸兩端各安裝一組可調偏心塊,利用軸及偏心塊高速旋轉產生的離心力得到激振力。YZUL系 列振動電機由電機本身運行產生易于調整的水平、垂直、傾斜等方向多元激振力,形成物料的快速平面分散、中心聚集、平面旋轉、三維旋轉等多種運動方式,用于 控制排料速度、處理精度等機械性能指標,以其獨特的結構特點適應于不同的機械對振動源的要求。 |
YZU L □ □ ┬ ┬ ┬ ┬ │ │ │ │ │ │ │ │ │ │ │ │ │ │ │ └────────── 電機級數 │ │ │ │ │ └───────────- 最大激振力(KN) │ │ │ └────────────- 立式安裝 │ └──────────────- 振動源三項異步電動機 |




豫公網安備 41070302000529號